تفاوت سافت استارتر با درایو
در ابتدا از تعریف کلمه سافت استارتر شروع می کنیم.
سافت استارتر نوعی روش برای استارت موتور می باشد.
در این دستگاه از روش کاهش ولتاژ برای راه اندازی موتور استفاده می کنیم.
سافت استارتر با تامین مناسب ولتاژ از آسیب به موتور جلوگیری می کند.
این ولتاژ مورد نیاز برای موتور از مقدار خیلی کم شروع به افزایش می کند.
سافت باعث کاهش ولتاژ ورودی و جریان ورودی می شود.
این عمل ارتباط کامل با کاهش گشتاور موتور القایی دارد.
سافت استارتر بعد از راه اندازی موتور و رسیدن به حد نهایی فرکانس کاری موتور از مدار از طریق کنتاکتور بای پس خارج می شود.
این کنتاکتور بای پس ممکن است به صورت داخلی یا خارجی موازی با سافت قرار گیرد.
مدار داخلی سافت استارتر:
سافت استارتر دارای 6 عدد تریستور داخلی می باشد.
هر تریستور از سه قسمت کاتد، آند، گیت تشکیل شده است.
پالس تحریک به قسمت گیت اعمال می شود.
در این حالت جریان از آند به کاتد رفته و به موتور ارسال می شود.
زمانی که پالسی به تریستور اعمال نشود تریستور در حالت خاموش قرار دارد.

وقتی موتور به صورت کامل راه اندازی شد، توسط کنتاکتور جریان بسته می شود.
این عمل باعث می شود که هیج عمل سوییچی انجام نشود و هیچ هارمونیکی تولید نشود.
سافت استارتر برای کاربرد های موتور با سرعت ثابت مناسب است.
همچنین برای کار های سبک که نیاز به گشتاور پایین دارند مناسب است.
اگر نیاز به اعمال فرکانس بیشتر از برق شهر داریم باید از اینورتر استفاده کنیم.
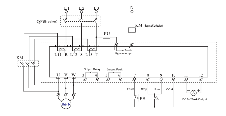
نحوه wiring سافت استارتر به شکل زیر است:

تفاوت سافت استارتر با درایو را می توان از جنبه های مختلف مورد بررسی قرار داد:
تفاوت سافت استارتر و درایو از نظر کاربری:
از نظر کاربرد اینگونه است که سافت استاتر بعد از راهاندازی نرم و جلوگیری از ورود جریان اضافی به موتور از مدار خارج میشود.
ولی اینورتر در تمام مدت روشن بودن موتور بر سرعت و حتی جهت چرخش موتور کنترل دارد.
همچنین میتوان بر اساس نیاز لحظهای، سرعت را کم و زیاد کرد و حتی جهت چرخش شفت آن را تغییر داد.
سرعت:
سافت استاتر نهایت سرعتی که میتواند برای موتور ایجاد کند، همان سرعت نامی موتور است.
اما اینورتر با قابلیت تغییر فرکانس این توانایی را دارد که سرعتهای بیشتر از سرعت نامی را فراهم کند.
انرژی:
مصرف انرژی سافت استاتر و اینورتر تفاوت چشمگیری باهم ندارند.
هر دوی آنها در واقع در مصرف برق ابتدایی موتور و فشار وارده بر آن را به میزان قابل توجهی کاهش میدهند.
نحوه قرارگیری در مدار:
اگر بخواهیم از سافت استارتر استفاده کنیم نیاز به کلید حرارتی و کامپکت داریم.
این کار باعث می شود که نیاز به یک فرد متخصص برای نصب و راه اندازی داشته باشیم.
ولی اینورتر برای نصب آن نیازی به تجهیز دیگر در مدار ایجاد نمیکند.
به راحتی میتوانیم بعد از خرید با توجه به پلاک الکترو موتور درایو را نصب کنیم.
قیمت:
از نظر قیمت هم که همانطور که واضح است به دلیل اینکه اینورتر قابلیتهای بسیار زیادی نسبت به سافت استاتر دارد، پس معقول است که قیمت آن هم گرانتر باشد.
به این دلیل که قیمت آنها، تفاوت زیادی دارد قبل از خرید باید با توجه به الزامات سیستم از خرید درایو یا سافت اطمینان حاصل کنیم.
طبق مطالب گفته شده اگر نیاز شما فقط راهاندازی نرم موتور باشد خرید سافت استاتر کفایت میکند .
در غیر اینصورت اگر کاربریهای بیشتر نیاز باشد، باید اینورتر تهیه کرد که باید با توجه به موارد مورد نیاز به برند آن نیز توجه کنید.

همچنین توجه نمایید که:
سافت استارتر نمی تواند هارمونیکی تولید کند.
زیرا پس از راه اندازی مسیر جریان توسط کنتاکتور بسته می شود و هیچ سوییچی انجام نمی گیرد.
سافت استارتر برای بارهای سبک مناسب است زیرا گشتاور راه اندازی پایینی دارند.
همچنین سافت استارتر برای کاربرد موتور با سرعت ثابت استفاده می شود.